Комплексные решения
в энергетике

Комплексные решения
в энергетике

+375 29 692-24-92

+375 29 649-18-78

Консультация инженера

Заполните форму и получите бесплатную консультацию опытного инженера или помощь в подборе оборудования

+375
  • Belarus +375
  • Russia +7
  • Ukraine +380
  • Lithuania +370
  • Latvia +371
  • Estonia +372
  • Moldova +373
  • Poland +48
  • Germany +49
  • Spain +34
  • Italy +39
  • UnitedStates +1
  • Canada +1
Поддерживаемые форматы файлов: .txt, .doc(x), xls(x), jpg, png, bmp
Выбрать файлы
Отправить
Конденсационный Котел Настенного Типа

Серия WT-S One

Конденсационный котел настенного типа с теплообменником из нержавеющей стали серии WT-S ONE OH, OH+EX и BS

Техническая информация

Особенности и преимущества

  • Серия ОН: Только конденсационный котел настенного типа
  • Серия OH+EX: Только отопление + Конденсационный котел настенного типа с расширительным баком в системе
  • Серия BS:  Конденсационный котел настенного типа с бойлером в системе
  • Высокий КПД благодаря технологии кондиционирования Premix и стальной микрофакельной горелке с металлофиберным покрытием,
  • 4 варианта тепловой мощности: 35 кВт, 45 кВт, 55 кВт, 65 кВт в котлах с теплообменником из нержавеющей стали серии WT-S ONE OH, 2 варианта тепловой мощности 35 кВт и 45 кВт в котлах серии WT-S ONE OH+ EX,  
  • Низкое потребление электроэнергии благодаря встроенному модуляционному насосу первого контура в котле,
  •  Экономия энергии за счет работы с модуляцией 5:1,
  • Простая в использовании ЖК панель с подсветкой,
  • Работа на природном газе и LPG
  • Работа при низком уровне шума благодаря исполнению корпуса с высокой тепло- и звукоизоляцией,
  • Превосходные защитные функции:
  • Безопасное управление факелом, ионизация,
  • Контроль температуры дымовых газов,
  • Защита от перегрева контура отопления,
  • Защита от замерзания,
  • Защита от низкого давления воды.
  • Возможность подключения дополнительного комнатного термостата,
  • Экологически безопасные отопительные системы с низким уровнем эмиссии NOx и CO.

Габаритные размеры

МОДЕЛЬВт
(мм)
ЧАС
(мм)
Д
(мм)
WT-S ONE 35 OH450735378
WT-S ONE 35 OH-EX450735378
WT-S ONE 35 BS450735378
WT-S ONE 45 OH450735378
WT-S ONE 45 OH-EX450735378
WT-S ONE 45 BS450735378
WT-S ONE 55 OH415802403
WT-S ONE 55 BS415802403
WT-S ONE 65 OH415802403
WT-S ONE 65 BS415802403
WT-S One Размеры

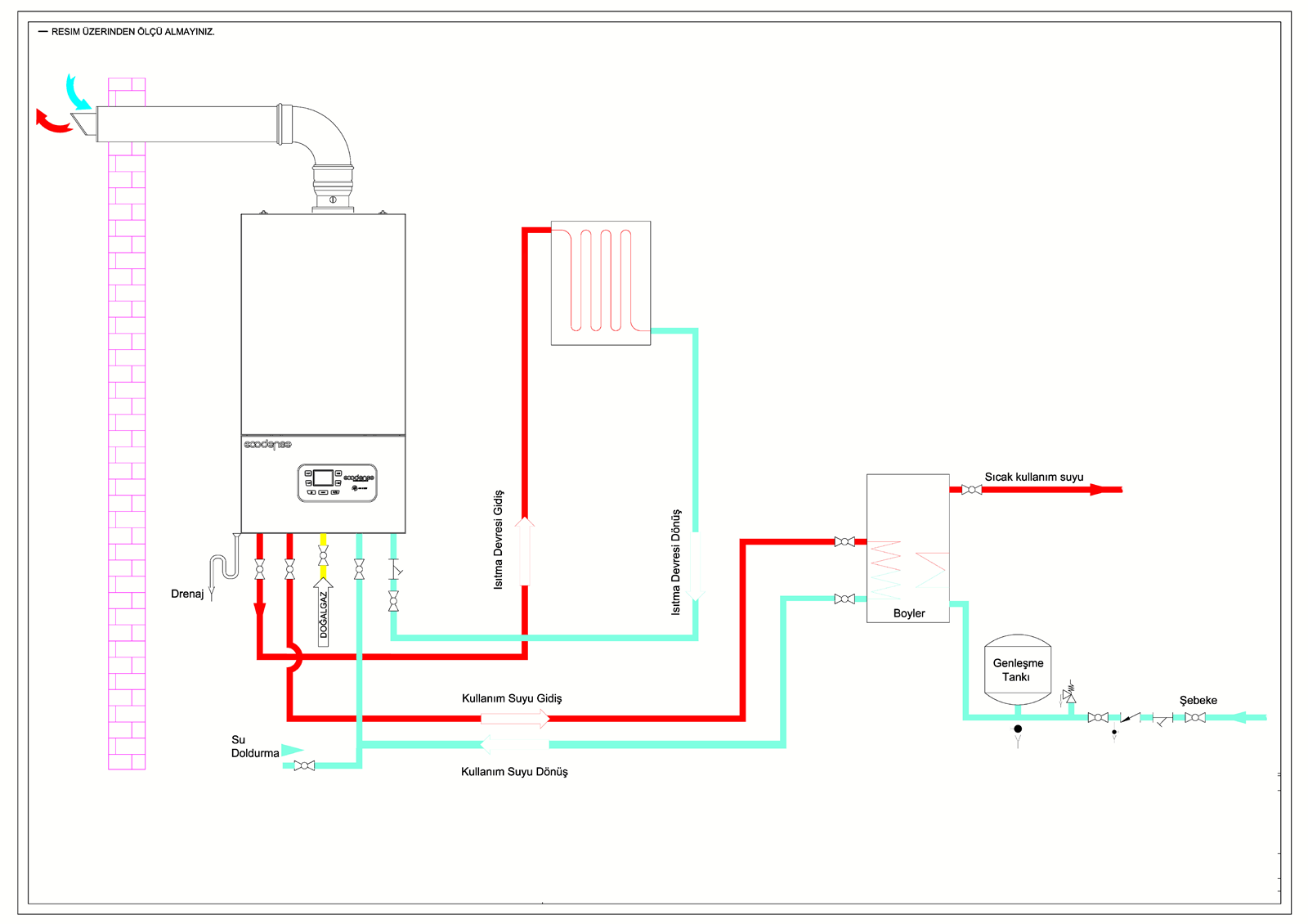
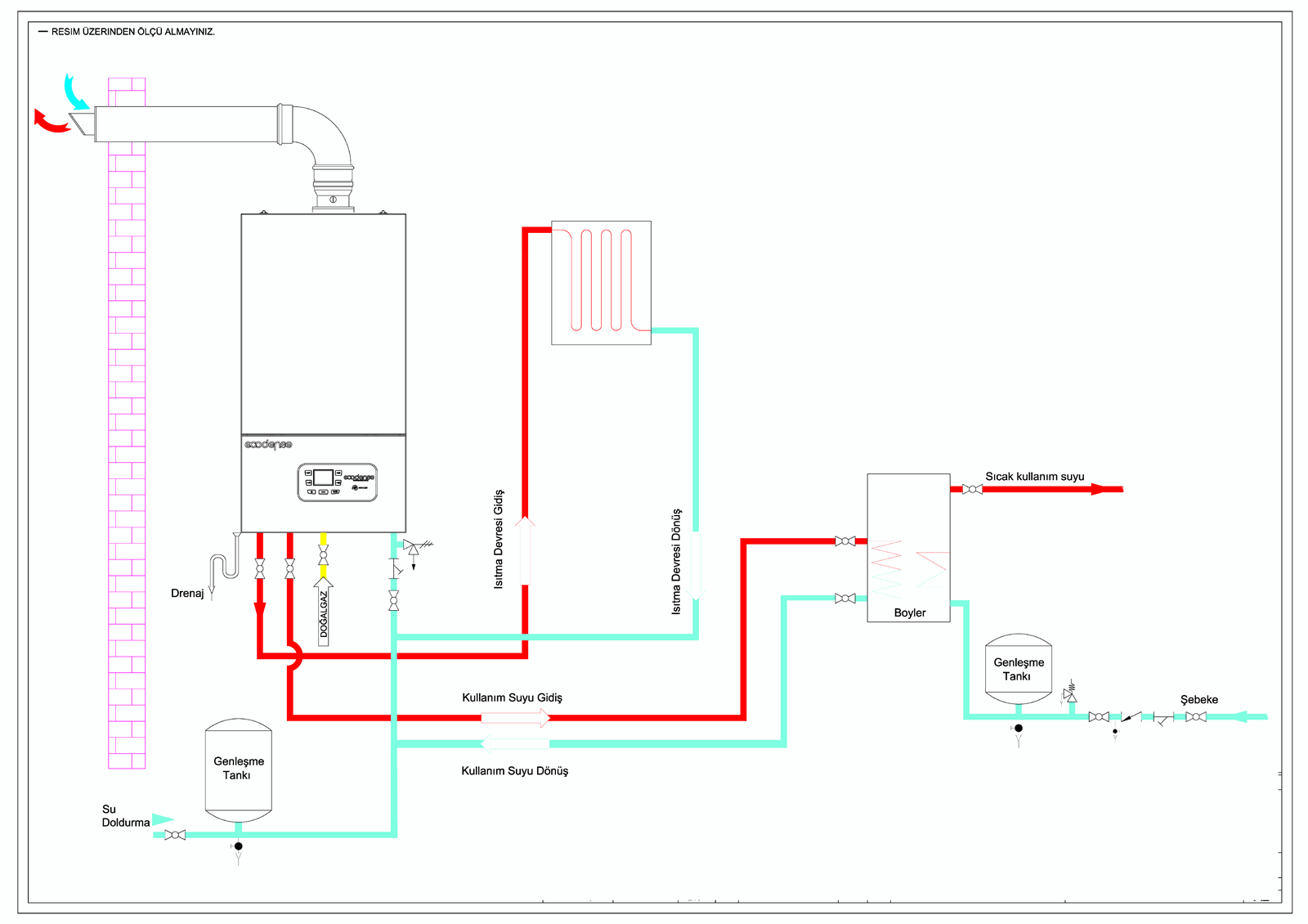
Блок-схема

ECODENSE WT-S ONE 35-45 [OH+EX] DEVRE ŞEMASI

ECODENSE WT-S ONE 35-45 [OH+EX] DEVRE ŞEMASI

ECODENSE WT-S ONE 35-45 [BS] DEVRE ŞEMASI

ECODENSE WT-S ONE 35-45 [BS] DEVRE ŞEMASI

ECODENSE WT-S ONE 55-65 [BS] DEVRE ŞEMASI

ECODENSE WT-S ONE 55-65 [BS] DEVRE ŞEMASI

ECODENSE WT-S ONE 35-45 [OH] DEVRE ŞEMASI

ECODENSE WT-S ONE 35-45 [OH] DEVRE ŞEMASI

ECODENSE WT-S ONE 55-65 [OH] DEVRE ŞEMASI

ECODENSE WT KASKAD RADYATÖR DEVRE ŞEMASI

Сделаем все за вас

Есть заявка или проектная документация, но нет времени искать поставщика оборудования, самостоятельно сравнивать характеристики и вникать в тонкости и различия?

 

Наши опытные специалисты подберут всю необходимую комплектацию вашего объекта под ключ. Звоните или заполняйте заявку на обратный звонок, мы перезваниваем в течение нескольких минут.

Консультация инженера

Заполните форму и получите бесплатную консультацию опытного инженера или помощь в подборе оборудования

+375
  • Belarus +375
  • Russia +7
  • Ukraine +380
  • Lithuania +370
  • Latvia +371
  • Estonia +372
  • Moldova +373
  • Poland +48
  • Germany +49
  • Spain +34
  • Italy +39
  • UnitedStates +1
  • Canada +1
Отправить