Адрес электронной почты защищен от спам-ботов. Для просмотра адреса в браузере должен быть включен Javascript.
Комплексные решения
в энергетике
Адрес электронной почты защищен от спам-ботов. Для просмотра адреса в браузере должен быть включен Javascript.
Комплексные решения
в энергетике
Консультация инженера
Заполните форму и получите бесплатную консультацию опытного инженера или помощь в подборе оборудования
Техническая информация
Модельный ряд
| Маркировка | График рабочего диапазона | Мощность, min | Мощность, max | Расход топлива Мазут, кг/ч, min | Расход топлива Мазут, кг/ч, max | Мощность вентилятора, кВт | Мощность топливного насоса, кВт | Подогреватель топлива, кВт | Электроподключение |
|---|---|---|---|---|---|---|---|---|---|
| ECO 50 OS C 3 NG | 393.00 | 1571.00 | 35.00 | 140.00 | 2.2 | – | 6 | 3N 400 | |
| ECO 55 OS C 3 NG | 449.00 | 2020.00 | 40.00 | 180.00 | 3.00 | – | 12 | 3N 400 | |
| ECO 55 OS C 3A NG | 449.00 | 2469.00 | 40.00 | 220.00 | 3.00 | – | 12 | 3N 400 | |
| ECO 60 OS C 3 NG | 696.00 | 3000.00 | 62.00 | 267.00 | 4.00 | 1.10 | 14 | 3N 400 | |
| ECO 65 OS C 3 NG | 853.00 | 3500.00 | 76.00 | 312.00 | 5.50 | 1.50 | 2 × 9 | 3N 400 | |
| ECO 70 OS C 3 NG | 1066.00 | 4070.00 | 95.00 | 363.00 | 7.50 | 1.50 | 2 × 9 | 3N 400 | |
| ECO 75 OS C 3 NG | 1167.00 | 5610.00 | 104.00 | 500.00 | 11.00 | 1.50 | 2 × 14 | 3N 400 | |
| ECO 8 OS C 3A NG | 840.00 | 6000.00 | 75.00 | 535.00 | 11.00 | 2.20 | 2 × 14 | 3N 400 | |
| ECO 8 OS C 3B NG | 980.00 | 7000.00 | 87.00 | 624.00 | 11.00 | 2.20 | 2 × 16 | 3N 400 | |
| ECO 8 OS C 3 NG | 1120.00 | 8000.00 | 100.00 | 713.00 | 15.00 | 2.20 | 2 × 16 | 3N 400 | |
| ECO 9 OS C 3 NG | 1190.00 | 8500.00 | 106.00 | 758.00 | 18.50 | 4.00 | 37 | 3N 400 | |
| ECO 9 OS C 3A NG | 1260.00 | 9000.00 | 112.00 | 802.00 | 22.00 | 4.00 | 37 | 3N 400 | |
| ECO 9 OS C 3B NG | 1540.00 | 10500.00 | 137.00 | 936.00 | 22.00 | 4.00 | 37 | 3N 400 | |
| ECO 9 OS C 3C NG | 2100.00 | 12000.00 | 187.00 | 1069.00 | 22.00 | 4.00 | 37 | 3N 400 |
График рабочего диапазона

Особенности и преимущества
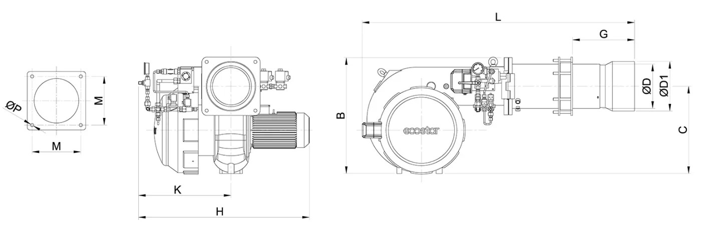
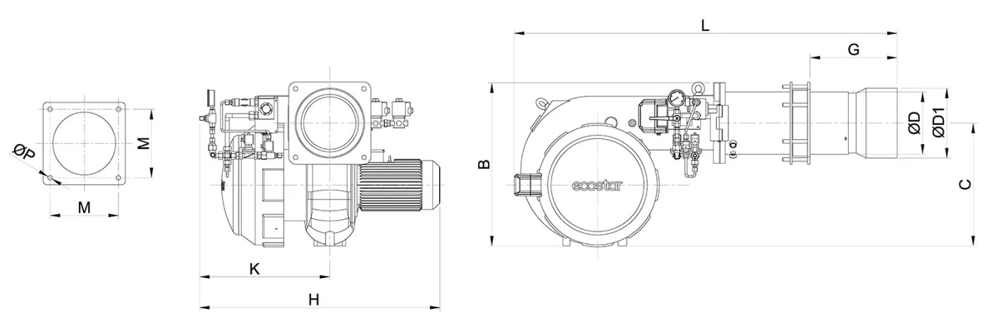
Размеры
| Модельный ряд | L | Gmin | Gmax | H | K | B | C | ØP | M | ØD | ØD1 |
|---|---|---|---|---|---|---|---|---|---|---|---|
| ECO 50 OS C 3 NG | 1470 | 280 | 440 | 945 | 525 | 590 | 425 | 18 | 275 | 218 | 236 |
| ECO 55 OS C 3 NG | 1470 | 280 | 440 | 945 | 525 | 590 | 425 | 18 | 275 | 218 | 236 |
| ECO 55 OS C 3A NG | 1470 | 280 | 440 | 945 | 525 | 590 | 425 | 18 | 275 | 218 | 236 |
| ECO 60 OS C 3 NG | 1400 | - | 140 | 1000 | 560 | 670 | 510 | 18 | 275 | 240 | - |
| ECO 65 OS C 3 NG | 1650 | 200 | 535 | 1000 | 560 | 670 | 510 | 18 | 275 | 250 | 280 |
| ECO 70 OS C 3 NG | 1650 | 200 | 535 | 1000 | 560 | 670 | 510 | 18 | 275 | 250 | 280 |
| ECO 75 OS C 3 NG | 1650 | 200 | 285 | 1160 | 600 | 730 | 530 | 22 | 335 | 300 | - |
| Модельный ряд | L | Gmin | Gmax | H | K | B | C | ØP | M | ØD | ØD1 |
|---|---|---|---|---|---|---|---|---|---|---|---|
| ECO 8 OS C 3A NG | 1830 | - | 300 | 1320 | 720 | 960 | 695 | 18 | 400 | 408 | - |
| ECO 8 OS C 3B NG | 1830 | - | 300 | 1320 | 720 | 960 | 695 | 18 | 400 | 408 | - |
| ECO 8 OS C 3 NG | 1830 | - | 300 | 1320 | 720 | 960 | 695 | 18 | 400 | 408 | - |
| ECO 9 OS C 3 NG | 2110 | - | 375 | 1450 | 750 | 1370 | 1055 | 22 | 450 | 508 | - |
| ECO 9 OS C 3A NG | 2110 | - | 375 | 1450 | 750 | 1370 | 1055 | 22 | 450 | 508 | - |
| ECO 9 OS C 3B NG | 2110 | - | 375 | 1450 | 750 | 1370 | 1055 | 22 | 450 | 508 | - |
| ECO 9 OS C 3C NG | 2110 | - | 375 | 1450 | 750 | 1370 | 1055 | 22 | 450 | 508 | - |
Комплектация и дополнительное оборудование
| Оборудование и опции | ECO 50 OS C 3 NG | ECO 55 OS C 3 NG | ECO 55 OS C 3A NG | ECO 60 OS C 3 NG | ECO 65 OS C 3 NG | ECO 70 OS C 3 NG | ECO 75 OS C 3 NG | ECO 8 OS C 3A NG | ECO 8 OS C 3B NG | ECO 8 OS C 3 NG | ECO 9 OS C 3 NG | ECO 9 OS C 3A NG | ECO 9 OS C 3B NG | ECO 9 OS C 3C NG |
|---|---|---|---|---|---|---|---|---|---|---|---|---|---|---|
| Форма управления | модуляционная | |||||||||||||
| механический пропорциональный | + | — | ||||||||||||
| Электронный пропорциональный | опция | + | ||||||||||||
| Настройка потока воздуха | сервопривод | |||||||||||||
| Регулировка расхода топлива | сервопривод | |||||||||||||
| Пилотное зажигание | + | |||||||||||||
| пилотный газовый клапан | + | |||||||||||||
| воздушный процессор | + | |||||||||||||
| Контроль пламени | фотоэлемент | |||||||||||||
| Жидкотопливная отопительно-насосная станция | + | |||||||||||||
| Шланги для жидкого топлива | + | |||||||||||||
| Навесной кузов для сервисных целей | + | |||||||||||||
| Различная длина жаровой трубы | опция | |||||||||||||
| Подключение системы управления горением O2-CO | опция | |||||||||||||
| Подключение инвертора вентилятора воздуха для горения | опция | |||||||||||||
| Станции подготовки топлива (газопровод/мазутная станция) | опция | |||||||||||||
| Соответствует TS EN 267+A1 | + | |||||||||||||
| Декларация соответствия СЕ | + | |||||||||||||
| Класс электрической защиты | IP40 | IP54 | ||||||||||||
Сделаем все за вас
Есть заявка или проектная документация, но нет времени искать поставщика оборудования, самостоятельно сравнивать характеристики и вникать в тонкости и различия?
Наши опытные специалисты подберут всю необходимую комплектацию вашего объекта под ключ. Звоните или заполняйте заявку на обратный звонок, мы перезваниваем в течение нескольких минут.
Консультация инженера
Заполните форму и получите бесплатную консультацию опытного инженера или помощь в подборе оборудования