Адрес электронной почты защищен от спам-ботов. Для просмотра адреса в браузере должен быть включен Javascript.
Комплексные решения
в энергетике
Адрес электронной почты защищен от спам-ботов. Для просмотра адреса в браузере должен быть включен Javascript.
Комплексные решения
в энергетике
Консультация инженера
Заполните форму и получите бесплатную консультацию опытного инженера или помощь в подборе оборудования
Техническая информация
Модельный ряд
| Маркировка | График рабочего диапазона | Мощность природные газ, кВт min | Мощность природные газ, кВт max | Расход топлива Природный газ, куб.м/ч, min | Расход топлива Природный газ, куб.м/ч, max | Расход топлива Сжиженный газ, куб.м/ч, min | Расход топлива Сжиженный газ, куб.м/ч, max | Мощность вентилятора, кВт | Электроподключение |
|---|---|---|---|---|---|---|---|---|---|
| ECO 2 G C 3 | 60.00 | 200.00 | 6.25 | 20.85 | 2.29 | 7.64 | 0.15 | 1N 240 | |
| ECO 2 G C 3A | 100.00 | 348.00 | 10.42 | 36.28 | 3.82 | 13.30 | 0.15 | 1N 240 | |
| ECO 30 G C 3 | 190.00 | 450.00 | 19.81 | 46.91 | 7.26 | 17.20 | 0.37 | 1N 240 | |
| ECO 30 G C 3A | 260.00 | 700.00 | 27.10 | 72.97 | 9.94 | 26.76 | 0.75 | 3N 400 | |
| ECO 45 G C 3 | 335.00 | 750.00 | 34.92 | 78.18 | 12.80 | 28.67 | 0.75 | 3N 400 | |
| ECO 45 G C 3/L | 335.00 | 872.00 | 34.92 | 90.90 | 12.80 | 33.33 | 0.75 | 3N 400 | |
| ECO 45 G C 3A | 385.00 | 1080.00 | 40.13 | 112.58 | 14.72 | 41.28 | 1.10 | 3N 400 | |
| ECO 45 G C 3B | 335.00 | 750.00 | 34.92 | 78.18 | 12.80 | 28.67 | 0.75 | 3N 400 | |
| ECO 50 G C 3 | 250.00 | 1500.00 | 26.06 | 156.36 | 9.56 | 57.33 | 2.20 | 3N 400 | |
| ECO 55 G C 3 | 300.00 | 2000.00 | 31.27 | 208.48 | 11.47 | 76.44 | 3.00 | 3N 400 | |
| ECO 55 G C 3A | 300.00 | 2500.00 | 31.27 | 260.61 | 11.47 | 95.56 | 3.00 | 3N 400 | |
| ECO 60 G C 3 | 430.00 | 3000.00 | 44.82 | 312.73 | 16.44 | 114.67 | 4.00 | 3N 400 | |
| ECO 65 G C 3 | 500.00 | 3500.00 | 52.12 | 364.85 | 19.11 | 133.78 | 5.50 | 3N 400 | |
| ECO 70 G C 3 | 580.00 | 4070.00 | 60.46 | 424.27 | 22.17 | 155.56 | 7.50 | 3N 400 | |
| ECO 75 G C 3 | 798.00 | 5581.00 | 83.19 | 581.82 | 30.50 | 213.33 | 11.00 | 3N 400 |
График рабочего диапазона

Особенности и преимущества
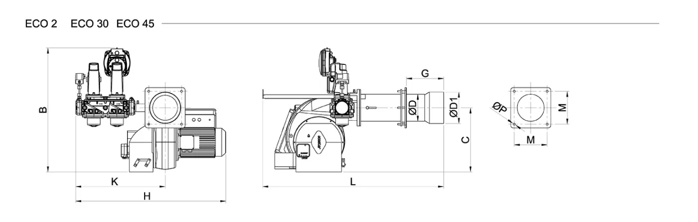
Размеры
| Модельный ряд | L | Gmin | Gmax | H | K | B | C | ØP | M | ØD | ØD1 |
|---|---|---|---|---|---|---|---|---|---|---|---|
| ECO 2 G C 3 | 960 | 106 | 320 | 510 | 335 | 400 | 225 | 10 | 142 | 120 | 139 |
| ECO 2 G C 3A | 960 | 106 | 320 | 510 | 335 | 400 | 225 | 10 | 142 | 120 | 139 |
| ECO 30 G C 3 | 960 | 130 | 320 | 730 | 400 | 570 | 305 | 10 | 142 | 131 | 153 |
| ECO 30 G C 3A | 960 | 130 | 320 | 730 | 400 | 570 | 305 | 10 | 142 | 131 | 153 |
| ECO 45 G C 3 | 1030 | 150 | 390 | 830 | 490 | 680 | 350 | 11 | 180 | 148 | 172 |
| ECO 45 G C 3/L | 1030 | 150 | 390 | 830 | 490 | 680 | 350 | 11 | 180 | 148 | 172 |
| ECO 45 G C 3A | 1030 | 150 | 390 | 830 | 490 | 680 | 350 | 11 | 180 | 148 | 172 |
| ECO 45 G C 3B | 1030 | 150 | 390 | 830 | 490 | 680 | 350 | 11 | 180 | 148 | 172 |
| Модельный ряд | L | Gmin | Gmax | H | K | B | C | ØP | M | ØD | ØD1 |
|---|---|---|---|---|---|---|---|---|---|---|---|
| ECO 50 G C 3 | 1300 | 280 | 440 | 680 | 255 | 1075 | 422 | 18 | 275 | 218 | 236 |
| ECO 55 G C 3 | 1300 | 280 | 440 | 680 | 255 | 1075 | 422 | 18 | 275 | 218 | 236 |
| ECO 55 G C 3A | 1300 | 280 | 440 | 680 | 255 | 1075 | 422 | 18 | 275 | 218 | 236 |
| ECO 65 G C 3 | 1500 | 200 | 440 | 815 | 330 | 1185 | 510 | 18 | 275 | 250 | 280 |
| ECO 70 G C 3 | 1500 | 200 | 440 | 820 | 330 | 1185 | 510 | 18 | 275 | 250 | - |
| Модельный ряд | L | Gmin | Gmax | H | K | B | C | ØP | M | ØD | ØD1 |
|---|---|---|---|---|---|---|---|---|---|---|---|
| ECO 60 G C 3 | 1450 | 200 | 355 | 850 | 330 | 1180 | 510 | 18 | 275 | 240 | - |
| ECO 75 G C 3 | 1450 | 200 | 340 | 885 | 350 | 1300 | 530 | 22 | 335 | 300 | - |
| ECO 75 G C 3 | 1450 | 200 | 340 | 885 | 350 | 1300 | 530 | 22 | 335 | 300 | - |
Комплектация и дополнительное оборудование
| Оборудование и опции | ECO 2 G C 3 | ECO 2 G C 3A | ECO 30 G C 3 | ECO 30 G C 3A | ECO 45 G C 3 | ECO 45 G C 3L | ECO 45 G C 3A | ECO 45 G C 3A | ECO 50 G C 3 | ECO 55 G C 3 | ECO 55 G C 3A | ECO 60 G C 3 | ECO 65 G C 3 | ECO 70 G C 3 | ECO 75 G C 3 | ECO 75 G C 3 |
|---|---|---|---|---|---|---|---|---|---|---|---|---|---|---|---|---|
| Форма управления | модуляционная | |||||||||||||||
| Механическая модуляция (21 mbar) | + | — | ||||||||||||||
| Механическая модуляция (300 mbar) | + | — | ||||||||||||||
| Пневматическая модуляция (21mbar) | — | + | — | |||||||||||||
| Пневматическая модуляция (300 mbar) | — | + | ||||||||||||||
| Электронная модуляция (21 mbar) | опция | — | ||||||||||||||
| Электронная модуляция (300 mbar) | опция | |||||||||||||||
| Регулирование подачи воздуха | сервопривод | |||||||||||||||
| Регулируемый удлинитель жаровой трубы | + | — | + | — | ||||||||||||
| Газовый вентиль | + | |||||||||||||||
| Минимальный датчик-реле давления газа | + | |||||||||||||||
| Максимальный датчик-реле давления газа | опция | |||||||||||||||
| Датчик-реле давления воздуха | + | |||||||||||||||
| Управление факелом | ионизация | фотоэлемент | фотоэлемент | |||||||||||||
| Зажигание | прямое | |||||||||||||||
| Устройство определения утечки газа VPS | опция | + | ||||||||||||||
| Скользящий соединительный фланец для котла | + | |||||||||||||||
| Штифт для переноски при сервисном обслуживании | + | |||||||||||||||
| Соответствие TS EN 676+A2 и 2016/426/EC GAR | + | |||||||||||||||
| Класс электрозащиты | IP40 | IP54 | ||||||||||||||
Сделаем все за вас
Есть заявка или проектная документация, но нет времени искать поставщика оборудования, самостоятельно сравнивать характеристики и вникать в тонкости и различия?
Наши опытные специалисты подберут всю необходимую комплектацию вашего объекта под ключ. Звоните или заполняйте заявку на обратный звонок, мы перезваниваем в течение нескольких минут.
Консультация инженера
Заполните форму и получите бесплатную консультацию опытного инженера или помощь в подборе оборудования