Комплексные решения
в энергетике

Комплексные решения
в энергетике

+375 29 692-24-92

+375 29 649-18-78

Консультация инженера

Заполните форму и получите бесплатную консультацию опытного инженера или помощь в подборе оборудования

+375
  • Belarus +375
  • Russia +7
  • Ukraine +380
  • Lithuania +370
  • Latvia +371
  • Estonia +372
  • Moldova +373
  • Poland +48
  • Germany +49
  • Spain +34
  • Italy +39
  • UnitedStates +1
  • Canada +1
Поддерживаемые форматы файлов: .txt, .doc(x), xls(x), jpg, png, bmp
Выбрать файлы
Отправить

Герметичный бойлер

Герметичный бойлер Ecodense

Техническая информация

Особенности и преимущества

  • ГВС с тепловой мощностью максимум 20 кВт,
  • Работа на природном газе и LPG,
  • Производство горячей воды в объеме до 11,8 л/мин.,
  • Соответствие ErP, 6-ой класс по эмиссии NOx,
  • Экологический чистый продукт благодаря низким уровням эмиссии NOx и CO,
  • Смарт-управление горением и высокий КПД горения,
  • Непрерывное восполнение потребности ГВС благодаря высокой тепловой мощности,
  • Простое использование с ЖК экраном с подсветкой,
  • Эстетичный и компактный дизайн и экономия площади,
  • Максимальная герметичность благодаря герметичному исполнению корпуса и безопасная эксплуатация,
  • Индикация температуры на цифровом экране,
  • Стабилизация температуры воды,
  • Гибридное использование с серийным подключением благодаря водонагревателям (солнечный коллектор),
  • Защита от замерзания, перегрева и колебаний напряжения,
  • Работа с низким уровнем шума,
  • Простое техобслуживание.

Габаритные размеры

МОДЕЛЬВт
(мм)
ЧАС
(мм)
Д
(мм)
WT-S ONE HW320668260
Герметичный бойлер Размеры

Блок-схема

ECOECODENSE WT-S ONE HW LOW NOX ŞOFBEN - RADYATÖR DEVRE ŞEMASI

ECOECODENSE WT-S ONE HW LOW NOX ŞOFBEN - RADYATÖR DEVRE ŞEMASI

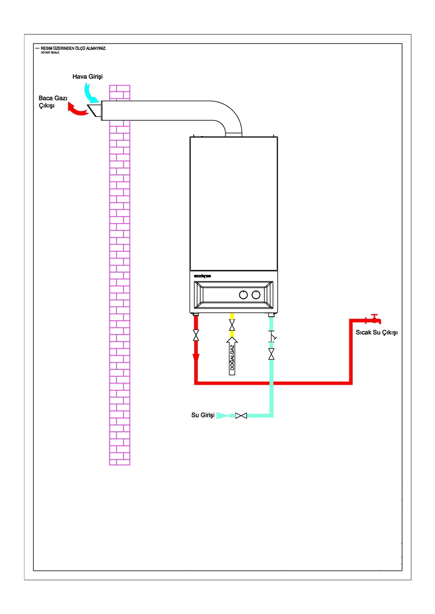
WT-S ONE HW LOW NOX ŞOFBEN - AKIŞ ŞEMASI

WT-S ONE HW LOW NOX ŞOFBEN - AKIŞ ŞEMASI

Сделаем все за вас

Есть заявка или проектная документация, но нет времени искать поставщика оборудования, самостоятельно сравнивать характеристики и вникать в тонкости и различия?

 

Наши опытные специалисты подберут всю необходимую комплектацию вашего объекта под ключ. Звоните или заполняйте заявку на обратный звонок, мы перезваниваем в течение нескольких минут.

Консультация инженера

Заполните форму и получите бесплатную консультацию опытного инженера или помощь в подборе оборудования

+375
  • Belarus +375
  • Russia +7
  • Ukraine +380
  • Lithuania +370
  • Latvia +371
  • Estonia +372
  • Moldova +373
  • Poland +48
  • Germany +49
  • Spain +34
  • Italy +39
  • UnitedStates +1
  • Canada +1
Отправить