Комплексные решения
в энергетике

Комплексные решения
в энергетике

+375 29 692-24-92

+375 29 649-18-78

Консультация инженера

Заполните форму и получите бесплатную консультацию опытного инженера или помощь в подборе оборудования

+375
  • Belarus +375
  • Russia +7
  • Ukraine +380
  • Lithuania +370
  • Latvia +371
  • Estonia +372
  • Moldova +373
  • Poland +48
  • Germany +49
  • Spain +34
  • Italy +39
  • UnitedStates +1
  • Canada +1
Поддерживаемые форматы файлов: .txt, .doc(x), xls(x), jpg, png, bmp
Выбрать файлы
Отправить
Конденсационный Котел Настенного Типа

Серия WT

Конденсационный котел настенного типа

Техническая информация

Особенности и преимущества

  • Высокий КПД благодаря технологии кондиционирования Premix и стальной микрофакельной горелке с металлофиберным покрытием,
  • Корпус спирального ребристого теплообменника из алюминиевого сплава, который обеспечивает высокоэффективную теплопередачу и КПД,
  • 8 вариантов производительности 65, 80, 90, 100, 110, 115, 125 и 150  кВт для индивидуальных котлов и широкий диапазон производительности до 2400 кВт для каскадных систем,
  • Управления с пульта на котле при каскадном исполнении 16 котлами + 1 датчик температуры + 1 смесительный вентиль,
  • Экономия энергии за счет работы с модуляцией 5:1,
  • Максимальная воздухонепроницаемость благодаря герметичному корпусу,
  • Повышенная безопасность горения благодаря обратному затвору,
  • Простая в использовании ЖК панель с подсветкой,
  • Программирование графика работы на неделю и на день,
  • Составление программы нагрева в зависимости от зимнего и летнего сезона,
  • Работа на природном газе и LPG
  • Работа с низким уровнем шума,
  • Экологически безопасные отопительные системы с низким уровнем эмиссии NOx и CO.

Габаритные размеры

МОДЕЛЬВт
(мм)
ЧАС
(мм)
Д
(мм)
WT 65530725500
WT 80530725500
WT 90530725500
WT 100530725500
WT 110530895500
WT 115530895500
WT 125530895500
WT 150540950500
WT Размеры

Блок-схема

WT SERIES FLOW DIAGRAM

WT SERIES FLOW DIAGRAM

ECODENSE WT CASCADE RADIATOR CIRCUIT DIAGRAM

ECODENSE WT CASCADE RADIATOR CIRCUIT DIAGRAM

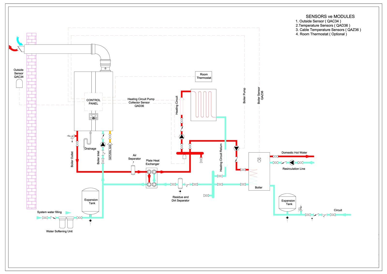
ECODENSE WT RADIATOR + BOILER CIRCUIT DIAGRAM

ECODENSE WT RADIATOR + BOILER CIRCUIT DIAGRAM

WT SERISI AKIŞ ŞEMASI

WT SERISI AKIŞ ŞEMASI

ECODENSE WT KASKAD RADYATÖR DEVRE ŞEMASI

ECODENSE WT KASKAD RADYATÖR DEVRE ŞEMASI

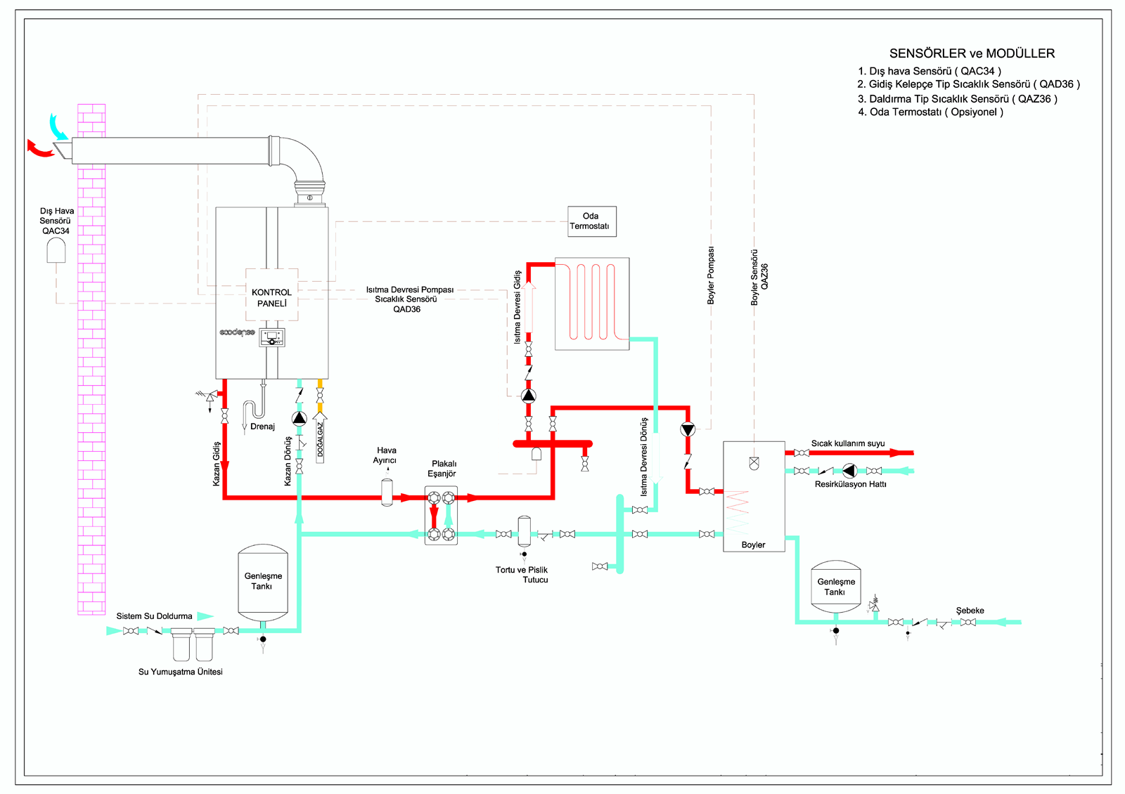
ECODENSE WT RADYATÖR + BOYLER DEVRE ŞEMASI

ECODENSE WT RADYATÖR + BOYLER DEVRE ŞEMASI

Сделаем все за вас

Есть заявка или проектная документация, но нет времени искать поставщика оборудования, самостоятельно сравнивать характеристики и вникать в тонкости и различия?

 

Наши опытные специалисты подберут всю необходимую комплектацию вашего объекта под ключ. Звоните или заполняйте заявку на обратный звонок, мы перезваниваем в течение нескольких минут.

Консультация инженера

Заполните форму и получите бесплатную консультацию опытного инженера или помощь в подборе оборудования

+375
  • Belarus +375
  • Russia +7
  • Ukraine +380
  • Lithuania +370
  • Latvia +371
  • Estonia +372
  • Moldova +373
  • Poland +48
  • Germany +49
  • Spain +34
  • Italy +39
  • UnitedStates +1
  • Canada +1
Отправить