Адрес электронной почты защищен от спам-ботов. Для просмотра адреса в браузере должен быть включен Javascript.
Комплексные решения
в энергетике
Адрес электронной почты защищен от спам-ботов. Для просмотра адреса в браузере должен быть включен Javascript.
Комплексные решения
в энергетике
Консультация инженера
Заполните форму и получите бесплатную консультацию опытного инженера или помощь в подборе оборудования
Техническая информация
Модельный ряд
| Маркировка | График рабочего диапазона | Мощность, min | Мощность, max | Расход топлива Природный газ, куб.м/ч, min | Расход топлива Природный газ, куб.м/ч, max | Выбросы NOx, мг/кВт•ч | Выброс NOx (FGR) кг/кВт•ч | Мощность вентилятора, кВт | Электро-подключение |
|---|---|---|---|---|---|---|---|---|---|
| ECO 50 G C 3 NG | 250.00 | 1500.00 | 26.06 | 156.36 | 9.56 | 57.33 | 2.20 | 3N 400 | |
| ECO 55 G C 3 NG | 300.00 | 2000.00 | 31.27 | 208.48 | 11.47 | 76.44 | 3.00 | 3N 400 | |
| ECO 55 G C 3A NG | 300.00 | 2500.00 | 31.27 | 260.61 | 11.47 | 95.56 | 3.00 | 3N 400 | |
| ECO 60 G C 3 NG | 430.00 | 3000.00 | 44.82 | 312.73 | 16.44 | 114.67 | 4.00 | 3N 400 | |
| ECO 65 G C 3 NG | 500.00 | 3500.00 | 52.12 | 364.85 | 19.11 | 133.78 | 5.50 | 3N 400 | |
| ECO 70 G C 3 NG | 580.00 | 4070.00 | 60.46 | 424.27 | 22.17 | 155.56 | 7.50 | 3N 400 | |
| ECO 75 G C 3 NG | 798.00 | 5581.00 | 83.19 | 581.82 | 30.50 | 213.33 | 11.00 | 3N 400 | |
| ECO 8 G C 3 NG | 600.00 | 6000.00 | 62.55 | 625.45 | 22.93 | 229.33 | 11.00 | 3N 400 | |
| ECO 8 G C 3A NG | 700.00 | 7000.00 | 72.97 | 729.70 | 26.76 | 267.56 | 11.00 | 3N 400 | |
| ECO 8 G C 3B NG | 800.00 | 8000.00 | 83.39 | 833.94 | 30.58 | 305.78 | 15.00 | 3N 400 | |
| ECO 9 G C 3 NG | 850.00 | 8500.00 | 88.61 | 886.06 | 32.49 | 324.89 | 18.50 | 3N 400 | |
| ECO 9 G C 3A NG | 900.00 | 9000.00 | 93.82 | 938.18 | 34.40 | 344.00 | 22.00 | 3N 400 | |
| ECO 9 G C 3B NG | 1100.00 | 10500.00 | 114.67 | 1094.55 | 42.04 | 401.33 | 22.00 | 3N 400 | |
| ECO 9 G C 3C NG | 1500.00 | 12000.00 | 156.36 | 1250.91 | 57.33 | 458.67 | 22.00 | 3N 400 |
График рабочего диапазона

Особенности и преимущества
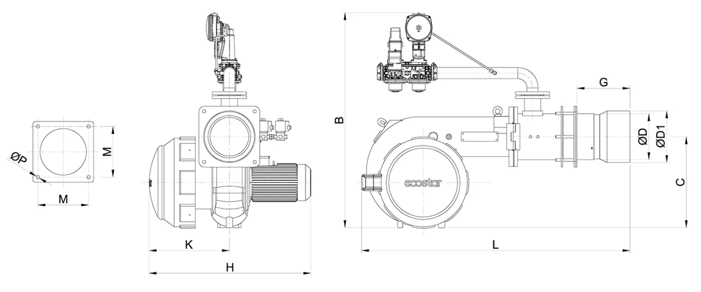
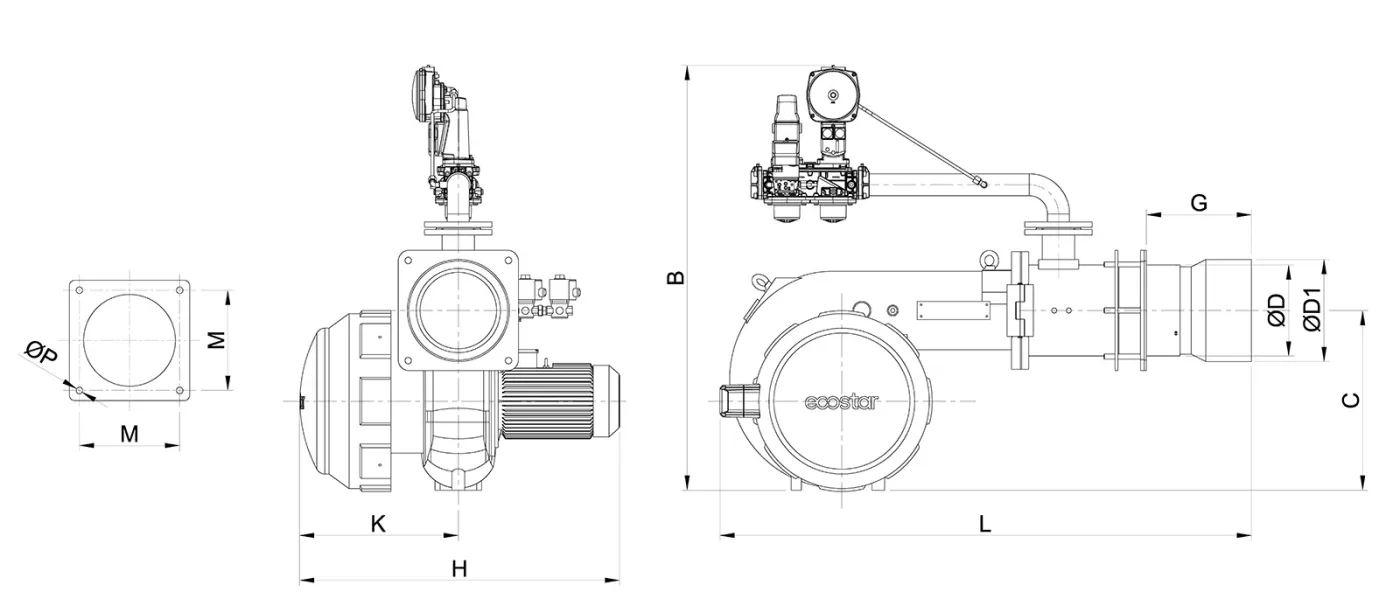
Размеры
| Модельный ряд | L | Gmin | Gmax | H | K | B | C | ØP | M | ØD | ØD1 | |
|---|---|---|---|---|---|---|---|---|---|---|---|---|
| ECO 50 G C 3 NG | 1330 | 280 | 440 | 930 | 450 | 1075 | 440 | 18 | 275 | 218 | 236 | |
| ECO 55 G C 3 NG | 1330 | 280 | 440 | 930 | 450 | 1075 | 440 | 18 | 275 | 218 | 236 | |
| ECO 55 G C 3 NG | 1330 | 280 | 440 | 930 | 450 | 1075 | 440 | 18 | 275 | 218 | 236 | |
| ECO 60 G C 3 NG | 1450 | 200 | 335 | 980 | 450 | 1180 | 500 | 18 | 275 | 218 | - | |
| ECO 65 G C 3 NG | 1550 | 200 | 440 | 980 | 450 | 1185 | 500 | 18 | 275 | 250 | 280 | |
| ECO 70 G C 3 NG | 1550 | 200 | 440 | 980 | 450 | 1185 | 500 | 18 | 275 | 250 | 280 | |
| ECO 75 G C 3 NG | 1450 | 200 | 340 | 1160 | 5750 | 1300 | 530 | 22 | 335 | 300 | - |
| Модельный ряд | L | Gmin | Gmax | H | K | B | C | ØP | M | ØD | ØD1 |
|---|---|---|---|---|---|---|---|---|---|---|---|
| ECO 8 G C 3 NG | 1700 | - | 305 | 1320 | 720 | 1600 | 695 | 18 | 400 | 408 | - |
| ECO 8 G C 3A NG | 1700 | - | 305 | 1320 | 720 | 1600 | 695 | 18 | 400 | 408 | - |
| ECO 8 G C 3B NG | 1700 | - | 305 | 1320 | 720 | 1600 | 695 | 18 | 400 | 408 | - |
| ECO 9 G C 3 NG | 1955 | - | 375 | 1450 | 750 | 2030 | 1055 | 22 | 450 | 508 | - |
| ECO 9 G C 3A NG | 1955 | - | 375 | 1450 | 750 | 2030 | 1055 | 22 | 450 | 508 | - |
| ECO 9 G C 3B NG | 1955 | - | 375 | 1450 | 750 | 2030 | 1055 | 22 | 450 | 508 | - |
| ECO 9 G C 3C NG | 1955 | - | 375 | 1450 | 750 | 2030 | 1055 | 22 | 450 | 508 | - |
Комплектация и дополнительное оборудование
| Оборудование и опции | ECO 50 G C 3 NG | ECO 55 G C 3 NG | ECO 55 G C 3A NG | ECO 60 G C 3 NG | ECO 65 G C 3 NG | ECO 70 G C 3 NG | ECO 75 G C 3 NG | ECO 8 G C 3 NG | ECO 8 G C 3A NG | ECO 8 G C 3B NG | ECO 9 G C 3 NG | ECO 9 G C 3A NG | ECO 9 G C 3B NG | ECO 9 G C 3C NG |
|---|---|---|---|---|---|---|---|---|---|---|---|---|---|---|
| Форма управления | модуляционная | |||||||||||||
| Механическая модуляция (21mbar) | + | — | ||||||||||||
| Механическая модуляция (300 mbar) | + | — | ||||||||||||
| Пневматическая модуляция (21mbar) | + | — | ||||||||||||
| Пневматическая модуляция (300 mbar) | + | |||||||||||||
| Электронная модуляция (21mbar) | + | — | ||||||||||||
| Электронная модуляцияl (300 mbar) | + | |||||||||||||
| Регулирование подачи воздуха | сервопривод | |||||||||||||
| Регулирование подачи топлива | сервопривод | |||||||||||||
| Газовый вентиль | + | |||||||||||||
| Зажигание | прямое | |||||||||||||
| Минимальный датчик-реле давления газа | + | |||||||||||||
| Максимальный датчик-реле давления газа | + | |||||||||||||
| Управление утечкой газа | + | |||||||||||||
| Датчик-реле давления воздуха | + | |||||||||||||
| Управление факелом | ионизация | фотоэлемент | ||||||||||||
| Корпус с петлями для обслуживания | + | |||||||||||||
| Разные длины жаровой трубы | опция | |||||||||||||
| Подключение к системе регулирования процесса горения O2-CO | опция | |||||||||||||
| Подключение инвертера вентилятора, подающего воздух для процесса горения | опция | |||||||||||||
| Станции подготовки топлива (газовая линия) | опция | |||||||||||||
| Соответствие TS EN 676+A2 и 2016/426/EC GAR | + | |||||||||||||
| Класс электрозащиты | IP40 | IP54 | ||||||||||||
Сделаем все за вас
Есть заявка или проектная документация, но нет времени искать поставщика оборудования, самостоятельно сравнивать характеристики и вникать в тонкости и различия?
Наши опытные специалисты подберут всю необходимую комплектацию вашего объекта под ключ. Звоните или заполняйте заявку на обратный звонок, мы перезваниваем в течение нескольких минут.
Консультация инженера
Заполните форму и получите бесплатную консультацию опытного инженера или помощь в подборе оборудования